Vai al contenuto
View in the app

A better way to browse. Learn more.

Autopareri

A full-screen app on your home screen with push notifications, badges and more.

To install this app on iOS and iPadOS
  1. Tap the Share icon in Safari
  2. Scroll the menu and tap Add to Home Screen.
  3. Tap Add in the top-right corner.
To install this app on Android
  1. Tap the 3-dot menu (⋮) in the top-right corner of the browser.
  2. Tap Add to Home screen or Install app.
  3. Confirm by tapping Install.

Ferrari 360 Modena: funzionamento scarico

Featured Replies

Inviato

Ciao a tutti ragazzi, 

Da un paio di settimane alla mia Ferrari 360 sembra non funzionare bene una bancata infatti il flusso del gas di scarico esce ridotto rispetto a l'altro a freddo. In marcia poi quando si riscalda il flusso aumenta ma comunque sempre inferiore all'altro. Il fatto è che non compare nessuna anomalia sul quadro e la macchina gira bene. Tanti mi hanno detto di controllare spinotti, candele, impianto elettrico.

Vorrei un consiglio da voi prima di portarla in officina e farmi prendere in giro 

Inviato
4 ore fa, Antonio 36090 dice:

Ciao a tutti ragazzi, 

Da un paio di settimane alla mia Ferrari 360 sembra non funzionare bene una bancata infatti il flusso del gas di scarico esce ridotto rispetto a l'altro a freddo. In marcia poi quando si riscalda il flusso aumenta ma comunque sempre inferiore all'altro.

Se avessi problemi ad una bancata la sentiresti super irregolare :) 

 

E comunque i flussi delle 2 bancate vengono miscelati nel silenziatore finale, quello "scatolotto" rettangolare, quindi non può esserci distinzione tra destra e sinistra allo scarico ;-) 
 

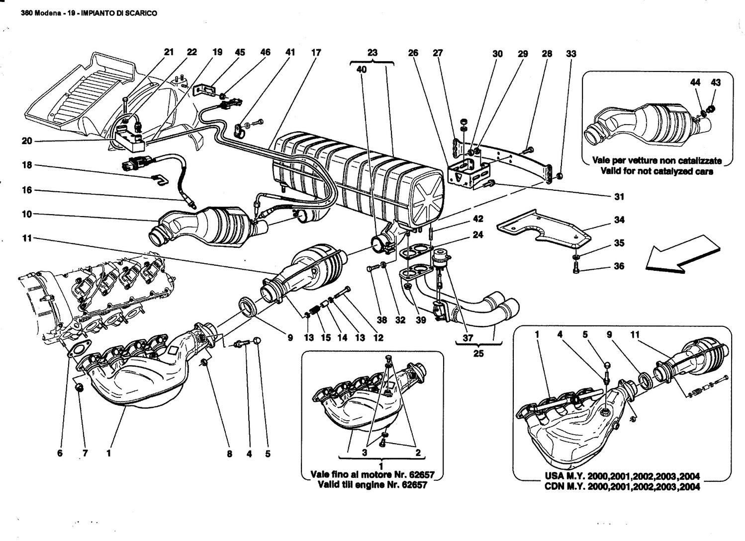
Linea scarico ferrari 360 modena.jpg

 

PS: facci un video, così capiamo meglio cosa intendi  ;-) :pen: 

Inviato

Boh,a me e' capitato spesso di osservare disomogeneita' sulla quantita' di fumo tra scarichi destri e sinistri,non ho mai pensato che dovesse essere un problema.Certo,se fosse 100% da una parte e 0 dall'altra allora mi allarmerei.Se poi dici che l'auto va bene,non ci farei nemmeno caso.

Inviato
4 minuti fa, guidomaluccio dice:

Boh,a me e' capitato spesso di osservare disomogeneita' sulla quantita' di fumo tra scarichi destri e sinistri,non ho mai pensato che dovesse essere un problema.Certo,se fosse 100% da una parte e 0 dall'altra allora mi allarmerei.

Su quella specifica Ferrari ci sarebbe da allarmarsi se ci fosse asimmetria!

 

Se invece dovesse farlo simmetricamente, ovvero con un terminale per lato che fuma, siamo perfettamente nella norma, dato che al minimo funziona solo uno tubo per lato, in quanto c'è una valvola pneumatica che tiene chiuso un terminale per lato, fintanto che non si accelera a fondo. 

 

a4202c07e5d3a50a244df5883a4f4d80.jpg

 

Tante auto con il doppio terminale (uno per lato) hanno una caratteristica simile a quella descritta, capita anche in modo asimmetrico, come descrivevi tu. Alcune addirittura ne hanno uno finto di scarico :) 

Ma su 360 Modena dev'essere simmetrica, 

  • J-Gian ha modificato il titolo in Ferrari 360 Modena: funzionamento scarico
Inviato

Si,in effetti nel mio caso gli scarichi sono separati,provengono direttamente dalle due bancate,senza un barilotto "convogliatore" finale.Trovo solo strano quando dice "a caldo si nota meno"....a caldo non dovrebbe vedersi niente,visto che i fumi dovrebbero essere trasparenti.Potrebbe provare a mettere una mano per scarico e far sgasare da qualcuno,cosi da "sentire" se c'e' una eventuale,diversa spinta dei gas(che peraltro dovrebbe notarsi anche al minimo)

Inviato
8 ore fa, guidomaluccio dice:

Boh,a me e' capitato spesso di osservare disomogeneita' sulla quantita' di fumo tra scarichi destri e sinistri,non ho mai pensato che dovesse essere un problema.Certo,se fosse 100% da una parte e 0 dall'altra allora mi allarmerei.Se poi dici che l'auto va bene,non ci farei nemmeno caso.

Sulla mia, al minimo, che ha una sola bancata e uno scarico 4 in 1, è così. Semplicemente il silenziatore ha una serie di paratie e tubi di lunghezza diversa per cui il gas quando c'è poca sovrapressione tende ad uscire solo da una parte.

Mazda MX-5 20th anniversary "barbone edition" - Tutto quello che scrivo è IMHO

k21x8z.png

Inviato

I flussi delle 2 bancate vengono miscelati all'interno del silenziatore

 

Cita

Let’s look at how the silencer works when the valves in the exhaust tips are open.  The only chamber in use is the large central one – the gases enter the chamber from each catalytic converter and then exit directly into the outer exhaust tips.  Here are two pictures with the under side cut open, I have drawn some arrows to show the flow of gases:

 

dsc05215.jpg

 

dsc05216.jpg

 

Since the engine is in a V configuration the pulses of exhaust gas fire from one side and then the other.  This means that the pulses can cross over each other inside this chamber and escape easily through the other side.

Now when the valves in the tips are closed the gases cannot escape out of the central chamber easily in this way.  What happens is that the pressure in the chamber builds up and the gas escapes into the two inner chambers via two pipes.  The gas enters these pipe through very small holes and allows the back pressure to build up.

 

 

p1040815.jpg

 

The gases are then passed into the outer chambers via two short pipes:

 

 

p1040820.jpg

 

p1040821.jpg

 

Finally the gases are sent out to the tail pipes on the opposite side via two long tubes:

 

p10408031.jpg

 

This complex arrangement provides good sound level reduction but comes at a significant weight penalty – the box weighs in at around 30kgs!

 

https://aldousvoice.com/2013/11/18/ferrari-360-exhaust-silencer/

Modificato da ISO-8707

Inviato
  • Autore

In fatti non vedo fumo a caldo, ma mettendo la mano davanti si sente che è minore dell'altro, a breve invierò il video come correttamente suggerito

Crea un account o accedi per lasciare un commento

Background Picker
Customize Layout

Account

Navigation

Cerca

Configure browser push notifications

Chrome (Android)
  1. Tap the lock icon next to the address bar.
  2. Tap Permissions → Notifications.
  3. Adjust your preference.
Chrome (Desktop)
  1. Click the padlock icon in the address bar.
  2. Select Site settings.
  3. Find Notifications and adjust your preference.